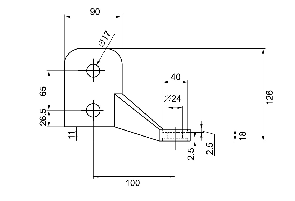
驳接爪
HH-200R驳接爪
18373196695
Warning: Invalid argument supplied for foreach() in D:\wwwroot\tjgwyks.com\productsdetail.php on line 145
产品详情

联系星空电子五金
星空·(中国)电子官方网站
公司电话:0731-85130810
公司传真:0731-85130810
公司邮箱:2855815233@qq.com
公司地址:湖南省长沙市开福区佳海工业园B10栋
-

扫一扫关注微信